望遠レンズ etc 特許情報



★ ビクセン 400mm F 4.0 望遠レンズ
 

星野、彗星等で速写性能を誇る、5枚玉、フォト・ビジュアル鏡筒です。
同スペックの、ペンタックス 400mm F 4.0 (4枚構成) を超える性能です。

(参考)

http://astamuse.com/ja/published/JP/No/2014203057
http://egami.blog.so-net.ne.jp/2014-12-12&pagename=nice







★ ニコン 800mm F 5.6 望遠レンズ

ニコン ・ カメラ望遠レンズを代表する、最新設計のアポクロマート望遠レンズです。
フローライト2枚・ED ガラス2枚を使い、諸収差を 総合的にコントロールする構成となっています。

(備考)
 ニコン 800mm F 5.6 望遠レンズ、特許公開データ ( 2011年)
http://patent.astamuse.com/ja/published/JP/No/2011197413
(備考) ニコン 800mm F 5.6 望遠レンズ、特許公開データ ( 2013年)
http://patent.astamuse.com/ja/published/JP/No/2013003354





製品化された、800mm F 5.6 は、特許公開データの発展型の様子で、後群レンズが追加されています。


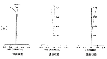
※ 公開された球面収差図から推測される、ストレールレシオ (幾何光学基準)は、開放 F 5.6 で約 95%
F 8で、約 100%となります。開放値では、g線フレアが発生します。

焦点距離と光学系全長の比率、約 0.7 のコンパクト設計。







★ ニコン 400mm F 2.8 望遠レンズ

ニコン ・ カメラ望遠レンズの中で、優れた収差補正で知られています。
ED ガラス3枚を使い、諸収差を 総合的にコントロールする構成となっています。

(備考)
 ニコン 400mm F 2.8 望遠レンズ、特許公開データ ( 1999年)
http://patent.astamuse.com/ja/granted/JP/No/4032502





焦点距離と光学系全長の比率、約 1.0の余裕のある設計。F 4 の明るさで、スポット直径約 15 ミクロン。
優秀な望遠レンズです。非点収差等も良好に補正されています。









★ ペンタックス 400mm F 4.0 望遠レンズ (100 SDUF )

ペンタックス・ 望遠レンズの中で、優れた収差補正で知られています。
SD ガラス1枚を使い、諸収差を 総合的にコントロールする構成となっています。

(備考)
 ペンタックス 400mm F 4.0 望遠レンズ、特許公開データ ( 1992-078805)
http://www.ipdl.inpit.go.jp/Tokujitu/tjbansaku.ipdl?N0000=110





焦点距離と光学系全長の比率、約 1.0の余裕のある設計。F 4 の明るさで、スポット直径約 20 ミクロン。
(g線、約 60 ミクロン) 非点収差等も良好に補正されています。


(備考)
 ペンタックス 400mm F 4.0 望遠レンズ、特許公開データ ( 1993-002132)
http://www.ipdl.inpit.go.jp/Tokujitu/tjbansaku.ipdl?N0000=110

(備考)
 ペッツバール系 望遠レンズ、特許公開データ (2003-107343)









★ キヤノン 70-300mm F 4-5.6 / 100-400mm F 4-5.6 望遠ズームレンズ

キヤノン・ 望遠ズームレンズを代表する、2機種の最新設計アポクロマート望遠ズームレンズです。

複数のフローライト、ED ガラスを使い、諸収差を 総合的にコントロールする構成となっています。製造・組立公差、経年劣化等よる性能低下を軽減する新技術で設計されており、長期間の使用でも安心出来そうです。


70-300mm の方は、望遠側の球面収差も少なく、非点収差等も良好に補正されています。





(備考)
 キヤノン 70-300mm / 100-400mm  望遠ズームレンズ、特許公開データ ( 2011-215218)
http://www.ipdl.inpit.go.jp/Tokujitu/tjbansaku.ipdl?N0000=110









○ 4枚玉 ケーニッヒ型 接眼レンズ 


エルフレに次ぎ、広角アイピースとして古くから知られた、ケーニッヒ・オルソ。

F8光学系にて、球面収差、非点・湾曲収差等、歪曲収差共に良好な補正です。 見掛視野は約
60度。


(特許公開情報) US.Patent.2206195
 (1940)
http://www.google.com/patents/US2206195

r1 = -740mm/30.0mm/BK7
r2 = -140mm/0.6mm/AIR
r3 = +183mm/40.0mm/BK7
r4 = -114mm/6.7mm/SF1
r5 = -1450mm/0.6mm/AIR
r6 = +101mm/23.0mm/BK7
r7 = ∞    /67.0mm/AIR


レンズ構成図






○ 5枚玉 エルフレ型 接眼レンズ 


広角アイピースとして古くから知られた、エルフレアイピース。

球面収差、非点・湾曲収差等、はやや残ります。見掛視野は約
75度。


(特許公開情報) US.Patent.1478704
 (1923)
http://www.google.com/patents/US1478704

r1 = -734.7mm/6.7mm/F2
r2 = +108.5mm/60.0mm/BAK2
r3 = -147.2mm/0.7mm/AIR
r4 = +283.1mm/30.6mm/BK7
r5 = -283.1mm/0.7mm/AIR
r6 = +124.3mm/46.6mm/BAK2
r7 = -124.3mm/6.7mm/F2
r8 = +3400mm/45.0mm/AIR


レンズ構成図











特許庁・レンズ系技術分野(注)における特許審査 etc 

http://www.jpo.go.jp/cgi/link.cgi?url=/tetuzuki/t_tokkyo/shinsa/renzu_data_rei.htm


(特許の種別)
1.新技術の独占を主張するもの。 
2.新技術の独占を主張しないもの(後発特許対応) etc




望遠鏡 etc ・全設計データ


TOP−PAGE